العنوان:
رقم 233-3 طريق يانغتشنغهو، حديقة شيشياشو الصناعية، منطقة شينبي، مدينة تشانغتشو، مقاطعة جيانغسو
• يعمل تصميم الشفرة القصيرة على تحسين مقاومة التآكل للأداة بشكل كبير ويمكن أن يحقق جودة أعلى لسطح قطعة العمل.
• يتم استخدامه بشكل أساسي لمعالجة المواد الفولاذية المقوية بدرجة HRC45~70، وخاصةً لأجزاء القالب الدقيقة التي تتطلب معالجة طويلة الأمد.
| لا. | القطر د | زاوية ر R | طول الناي قانون العمل | الطول الكلي ل | شانك ضياء د | عدد الشفرة ف |
| ننش-2ب-د1-إل2 | 1 | 0.5 | 2 | 50 | 4 | 2 |
| ننش-2ب-D1.5-L3 | 1.5 | 0.75 | 3 | 50 | 4 | 2 |
| ننش-2ب-D1.5-L3 | 1.5 | 0.75 | 3 | 50 | 6 | 2 |
| ننش-2ب-د2-إل4 | 2 | 1 | 4 | 50 | 4 | 2 |
| ننش-2ب-د2-إل4 | 2 | 1 | 4 | 50 | 6 | 2 |
| ننش-2ب-D2.5-L5 | 2.5 | 1.25 | 5 | 50 | 4 | 2 |
| ننش-2ب-D2.5-L5 | 2.5 | 1.25 | 5 | 50 | 6 | 2 |
| ننش-2ب-د3-إل6 | 3 | 1.5 | 6 | 50 | 4 | 2 |
| ننش-2ب-د3-إل6 | 3 | 1.5 | 6 | 50 | 6 | 2 |
| NNCH-2B-D3.5-L7 | 3.5 | 1.75 | 7 | 50 | 4 | 2 |
| NNCH-2B-D3.5-L7 | 3.5 | 1.75 | 7 | 50 | 6 | 2 |
| ننش-2ب-د4-إل8 | 4 | 2 | 8 | 50 | 4 | 2 |
| ننش-2ب-د4-إل8 | 4 | 2 | 8 | 50 | 6 | 2 |
| ننش-2ب-د5-إل9 | 5 | 2.5 | 9 | 50 | 6 | 2 |
| ننش-2ب-د6-إل9 | 6 | 3 | 9 | 50 | 6 | 2 |
| ننش-2ب-د8-إل12 | 8 | 4 | 12 | 60 | 8 | 2 |
| ننش-2ب-د10-إل15 | 10 | 5 | 15 | 75 | 10 | 2 |
| ننش-2ب-د12-إل18 | 12 | 6 | 18 | 75 | 12 | 2 |
| ننش-2ب-د4-إل8 | 4 | 2 | 8 | 75 | 4 | 2 |
| ننش-2ب-د4-إل8 | 4 | 2 | 8 | 75 | 6 | 2 |
| ننش-2ب-د6-إل9 | 6 | 3 | 9 | 75 | 6 | 2 |
| ننش-2ب-د8-إل12 | 8 | 4 | 12 | 75 | 8 | 2 |
| ننش-2ب-د6-إل9 | 6 | 3 | 9 | 100 | 6 | 2 |
| ننش-2ب-د8-إل12 | 8 | 4 | 12 | 100 | 8 | 2 |
| ننش-2ب-د10-إل15 | 10 | 5 | 15 | 100 | 10 | 2 |
| ننش-2ب-د12-إل18 | 12 | 6 | 18 | 100 | 12 | 2 |
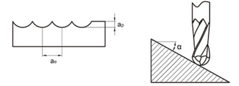
| المواد المعالجة | الفولاذ المتصلب مسبقًا 40 ~ 50HRC | تصلب الصلب 50 ~ 60HRC | تصلب الصلب 60 ~ 68HRC | |||||||||
| نصف قطر رأس الكرة (مم) | سرعة الدوران (دقيقة -1 ) | سرعة التغذية (مم / دقيقة) | أ ص (مم) | أ ه (مم) | سرعة الدوران (دقيقة -1 ) | سرعة التغذية (مم / دقيقة) | أ ص (مم) | أ ه (مم) | سرعة الدوران (دقيقة -1 ) | سرعة التغذية (مم / دقيقة) | أ ص (مم) | أ ه (مم) |
| R0.5 | 40000 | 1900 | 0.01 | 0.05 | 36000 | 1500 | 0.01 | 0.05 | 32000 | 1400 | 0.01 | 0.05 |
| R1.0 | 33000 | 3100 | 0.02 | 0.075 | 26000 | 2100 | 0.02 | 0.075 | 24000 | 2000 | 0.02 | 0.075 |
| R1.5 | 29000 | 4100 | 0.03 | 0.1 | 23000 | 2900 | 0.03 | 0.1 | 21000 | 2600 | 0.03 | 0.1 |
| R2.0 | 22000 | 3900 | 0.04 | 0.15 | 17000 | 2500 | 0.04 | 0.15 | 15500 | 2100 | 0.04 | 0.15 |
| R2.5 | 17500 | 3500 | 0.05 | 0.15 | 13500 | 2200 | 0.05 | 0.15 | 13000 | 2000 | 0.05 | 0.15 |
| R3.0 | 15000 | 3100 | 0.06 | 0.2 | 11500 | 1700 | 0.06 | 0.2 | 10500 | 1500 | 0.06 | 0.2 |
| R4.0 | 11000 | 2500 | 0.08 | 0.25 | 8600 | 1600 | 0.08 | 0.25 | 8000 | 1400 | 0.08 | 0.25 |
| R5.0 | 9000 | 2000 | 0.1 | 0.3 | 7000 | 1400 | 0.1 | 0.3 | 6000 | 1200 | 0.1 | 0.3 |
| R6.0 | 7500 | 1800 | 0.1 | 0.35 | 5700 | 1300 | 0.1 | 0.35 | 5300 | 1200 | 0.1 | 0.35 |
| R8.0 | 5500 | 1800 | 0.1 | 0.4 | 4300 | 1300 | 0.1 | 0.4 | 4000 | 1200 | 0.1 | 0.4 |
| 10.0 ريال | 4500 | 1800 | 0.1 | 0.5 | 3500 | 1300 | 0.1 | 0.5 | 3200 | 1200 | 0.1 | 0.5 |
| أقصى عمق القطع | | |||||||||||
1. يرجى استخدام معدات وتركيبات عالية الدقة والصلابة.
2. عندما تكون صلابة أداة الآلة وتركيب قطعة العمل ضعيفة، قد يحدث اهتزاز وصوت غير طبيعي. في هذه الحالة، يجب تقليل السرعة ومعدل التغذية في الجدول أعلاه سنويًا.
3. يرجى استخدام تبريد الهواء أو MQL (الحد الأدنى من تبريد رذاذ الزيت).
4. يوصى باستخدام الطحن المتسلسل للطحن الجانبي.
5. تقليل طول تعليق الأداة قدر الإمكان دون تداخل.
| سلسلة الأدوات | القطر | نصف القطر | شعاع الزاوية | طول الناي | الطول الفعال | الطول الكلي | شانك ضياء | |||
| د | ر | سي آر | قانون العمل | ل1 | L | د | ||||
| مطاحن نهاية كربيد فائقة الصلابة وعالية الدقة من NNCH | د0.1~D0.9 | 0 -0.005 | ر0.05~R2 | /-0.005 | سي آر0.05~CR0.5 | /-0.005 | 0 0.3 | 0 0.3 | 0.5 -0.5 | h5 |
| د1~D3.5 | 0 -0.005 | |||||||||
| د4~D10 | -0.003 -0.015 | ر3~R5 | /-0.005 | سي آر1.0~CR3.0 | /-0.008 | 0 0.5 | 0 0.5 | |||
| د12~D20 | -0.003 -0.018 | ر6~R10 | /-0.008 | |||||||
تتوفر المطاحن الطرفية ذات الأنف الكروي فائقة الصلابة NNCH-2B في مجموعة متنوعة من الأحجام، تتراوح من 1 مم إلى 12 مم في القطر، ويمكن مطابقتها مع مجموعة متنوعة من أطوال الشفرات والأطوال الكاملة وفقًا للاحتياجات المختلفة لتلبية متطلبات المرونة للتصنيع الدقيق. الاختيار الحر للمواصفات والنماذج المختلفة يجعلها مناسبة لمجموعة متنوعة من سيناريوهات التصنيع، مما يضمن قدرة أعلى على التكيف في مهام التصنيع الدقيقة.
يعمل تصميم شكل نهاية الكرة على تحسين زاوية القطع للأداة، مما يجعلها متفوقة في معالجة الأسطح المعقدة، ومناسبة بشكل خاص لتصنيع القوالب، وتصنيع الأجزاء الدقيقة والمشاهد الأخرى التي تتطلب تشطيبًا عاليًا ودقة عالية. يساعد تصميم الزاوية الحلزونية 30° على تقليل مقاومة القطع وتحسين كفاءة إزالة الرقاقة، وبالتالي تحسين استقرار المعالجة وعمر الأداة.
إن قاطع الطحن مصنوع من مادة كربيد الجسيمات الدقيقة فائقة الدقة، جنبًا إلى جنب مع عملية طلاء عالية الدقة، مما يحسن بشكل كبير من مقاومة التآكل والأداء المضاد للتقطيع. يمكن أن تصل الصلابة الإجمالية إلى HRC≥65، مما يضمن الدقة والاستقرار الممتازين عند تصنيع المواد ذات الصلابة العالية.
هذا المنتج مناسب لمجموعة واسعة من مواد المعالجة، بما في ذلك الفولاذ الكربوني، وسبائك الفولاذ، والفولاذ المقسى مسبقًا (HRC35-45)، والفولاذ المقسى (HRC45-65)، والفولاذ المعالج بالحرارة ذو الصلابة العالية، وما إلى ذلك. سواء كانت معالجة القالب عالية الدقة أو القطع الفعال للمواد الصلبة، فإن المطحنة الكروية ذات الحدين NNCH-2B يمكن أن توفر أداءً ممتازًا.
تأسيس المؤسسة
الموظفين

Changzhou Maton Tools Co.,Ltd. is located in the economically developed Yangtze River Delta region.The factory is located in XixiashuHigh-tech Development Zone,a well-known tool town in China. We are طواحين نهائية ذات كرة فلوت فائقة الصلابة Manufacturers.
Magotantools take the ISO9001 quality system as the standard,under the guidanceof the business philosophy of"zero defect in products"and"zero distance in service",based on the spirit of"integrity","unity"and"exploita- tion",and follow a fair and just company style for management.Product production adopts five-axisand six-axis CNC grinding and machining centers from Germany,Switzerland,Japan,etc.,and is equipped with high-precision testing equipment such as Germany,Japan,and China,so as to meet the needs of production with high quality and quantity.
The company continuously develops various high-performance CNC tools, and has won various national awards. Professional طواحين نهائية ذات كرة فلوت فائقة الصلابة Company. More than 10 patents,the company's products are mainly used in the defense industry, aerospace industry,automotive industry,electronic products and molds and other fields.
The company's various products are recognized and favored by well-known domestic companies.With infinite technology,infinite creation,and pursuit of excellence,Magotan tools will write future prosperity and dreams with more extraordinary confidence and high-quality quality.
سوف نقوم بالرد عليك خلال 12 ساعة بعد تلقي الاستفسار خلال أيام الأسبوع.
نحن مصنعون، ننتج ونبيع أنفسنا.
We mainly produce tungsten steel milling cutters, drill bits and other hard alloy tools. Professional طواحين نهائية ذات كرة فلوت فائقة الصلابة Manufacturers.
تغطي منتجاتنا تقريبًا صناعة القوالب بأكملها وصناعة الدفاع وصناعة الطيران وصناعة السيارات والمنتجات الإلكترونية وغيرها من المجالات.
Yes, our main focus is on customized products. We develop and produce products based on the drawings or samples provided by customers. Custom طواحين نهائية ذات كرة فلوت فائقة الصلابة.
We have over 30 units of WALTER from Germany, Makino from Japan, ROLLMATIC from Switzerland, and TTB from Switzerland, with an annual output value of 80 million RMB. We are طواحين نهائية ذات كرة فلوت فائقة الصلابة Company
أولاً، بعد كل عملية، نقوم بإجراء عمليات التفتيش المناسبة. بالنسبة للمنتج النهائي، سنقوم بإجراء فحص كامل بنسبة 100% وفقًا لمتطلبات العملاء والمعايير الدولية؛
بعد ذلك، لدينا معدات اختبار متقدمة وكاملة من الدرجة الأولى في الصناعة، مثل المحللات الطيفية، والمجاهر المعدنية، وما إلى ذلك، والتي يمكن أن تضمن استقرار واتساق أدوات القطع، مع تلبية متطلبات الاختبار عالية الدقة للعملاء لأدوات القطع.
عند عرض الأسعار، سنؤكد معك طريقة المعاملة، FOB، CIF، CNF أو خيارات أخرى. عند الإنتاج بكميات كبيرة، عادةً ما نقوم بدفع دفعة مقدمة بنسبة 30% أولاً، ثم ندفع الرصيد المتبقي عند تقديم بوليصة الشحن. نستخدم في الغالب T/T كطريقة للدفع، لكن خطاب الاعتماد مقبول أيضًا.